FAQ
PRODUCTS
You are here: Home » Products » Industrial Control and Protection » Contactors » 3SC8-F, contactors, up to 400 kW

3SC8-F, contactors, up to 400 kW

Independent power supply with build-in power source,directly draws power from the incoming end to avoid the risk of protection function failure caused by external power supply failure.

● Overload protection
● Short circuit protection
● Isolation
● Controlling
● Used in residential building, non-residential building, industry, energy and infrastructure
Availability:

Applications and functions for AC contactor 3SC8-F

●   Used for controlling 3-phase motors and generally for controlling power circuits

●   Used for many other applications such as isolation, capacitor switching and lighting


Instruction of type code

3SC8-F.1


Technical specifications for contactor 3SC8-F

3SC8-F.2


Selection and ordering data

3SC8-F contactor

3SC8-F.3


3SC8-FN reversing contactors

3SC8-F.4


Selection and ordering data

Coil for contactor 3SC8-F

3SC8-F.5


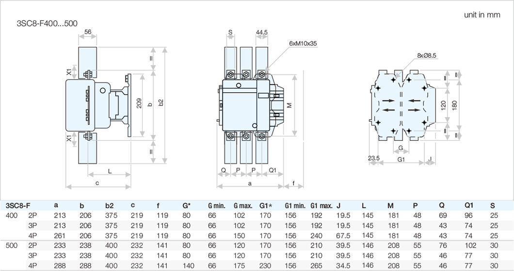
Outline and installation dimensions (Series 3SC8-F)

3SC8-F.6

f = minimum distance required for coil removal


3SC8-F.7


Outline and installation dimensions (Series 3SC8-F)

3SC8-F.8

3SC8-F.9

Previous: 
Next: