FAQ
PRODUCTS

3SM29

Independent power supply with build-in power source,directly draws power from the incoming end to avoid the risk of protection function failure caused by external power supply failure.

● Overload protection
● Short circuit protection
● Isolation
● Controlling
● Used in residential building, non-residential building, industry, energy and infrastructure
Availability:

Overview

3SM29.1


Applications and functions

●   Incoming and outgoing function in distribution systems

   Switching and protection of short circuit and overload for motors, transformers and capacitors

   Stopping and switching off in an emergency in conjunction with lockable rotary operating mechanisms and terminal covers

   Available in the following versions:

   System protection: the overload and short-circuit releases are designed for the protection of cables, leads and non-motor loads

   Motor protection: the overload and short-circuit releases are designed for optimized protection and direct-on-line starting of induction squirrel-cage motors


Features

●   Complete current range

3SM29.2


●   High-breaking capacity

    (1) B: Basic breaking capacity type

    (2) N: Normal breaking capacity type

    (3) S: Standard breaking capacity type

    (4) H: High-breaking capacity type

    (5) G: Ultrahigh breaking capacity type


Frame rated current


Rated ultimate short circuit breaking capacity Icu 


20kA

35kA

50kA

65kA

85kA

A: 125 A


N


B: 160 A B
N S
L
C: 250 A B N S H L
D: 400 A
N S H L
E: 630 A
N S H L
F: 800 A
N S H
G: 1250 A

S H G
H: 1600 A

S H G


●   Microprocess controlled

3SM29 series circuit breaker (Inm ≥ 250) adopt advanced microprocess electronic release that can intelligentize the protection


●   Convenient installation

3SM29 series circuit breaker provides three installation types as follow:

Fixed installation with front connection and rear connection

Plug-in installation with front connection and rear connection

Drawer installation


Instruction of type code

3SM29.3


Technical specifications

3SM29.4


Selection and ordering data

Thermal Magnetic Type

3SM29.5


3SM29.6


Selection and ordering data

Thermal Magnetic Type

3SM29.7


Electronic Type

3SM29.8


Electronic Type

3SM29.9


Electronic Type

3SM29.10


Motor driven mechanism

Function

   Used for opening and closing the circuit breaker remotely


Technical specifications

Model type MD1 MD2 MD3
Application

3SM29-250,

3SM29-400

3SM29-125,

3SM29-160

3SM29-630, 3SM29-800

3SM29-1600

Operating voltage range (85 % - 110 %) Un
Rated control voltage

220 V AC, 380 V AC,

220 V DC, 110 V DC

220 V AC, 380 V AC,

220 V DC, 110 V DC

220 V AC, 380 V AC,

220 V DC, 110 V DC

Operating current (A) ≤ 2 ≤ 0.5 ≤ 7.5
Start power consumption in 220/380 V AC (VA) 510 220 660
Continuance power consumption in 220/380 V AC (VA) 360 110 110 (180)
Start power consumption in 110/220 V DC (W) 510 220 600
Continuance power consumption in 110/220 V DC (W) 360 110 180
Opening time (s) 0.1 0.1 0.1
Closing time (s) 0.1 0.1 0.3
Eletrical life (times) 4000 8000 3000
Protection degree IP40


Selection and ordering data

3SM29.11


Rotary handle operation mechanism

Function

   Used for opening and closing the circuit breaker

   Used for rotating the circuit breaker, not pushing-pulling it upwards-downwards


Selection and ordering data

3SM29.12


Shunt release

Function

   Used for opening the circuit breaker remotely


Technical specifications

Model type SR91  SR92  SR93
Application

3SM29-125

3SM29-160

3SM29-250

3SM29-400

3SM29-630, 3SM29-800

3SM29-1600

Operating voltage range (70 % - 110 %) Un
Rated control voltage

220 V AC, 380 V AC,

220 V DC, 110 V DC

220 V AC, 380 V AC,

220 V DC, 110 V DC

220 V AC, 380 V AC,

220 V DC, 110 V DC

Response time (ms) ≥ 20, ≤ 60
 Power consumption in 220/380 V AC (VA) 150 150 150
Power consumption in 110/220 V DC (W) 150 150 150


Selection and ordering data

3SM29.13


Under-voltage release

Function

   Used for opening the circuit breaker when energy cuts off or voltage goes below 70 % of the operating voltage


Technical specifications

Model type UR91 UR92 UR93
Application 3SM29-125, 3SM29-160 3SM29-250, 3SM29-400

3SM29-630, 3SM29-800,

3SM29-1600

Action voltage range (35 % - 70 %) Ue
Guarantee close voltage range (85 % - 110 %) Ue
Guarantee no-close voltage range ≤ 35 % Ue
Rated control voltage (V)

220 V AC, 380 V AC,

220 V DC, 110 V DC

220 V AC, 380 V AC,

220 V DC, 110 V DC

220 V AC, 380 V AC,

220 V DC, 110 V DC

Response time (ms) ≥ 20, ≤ 60
Power consumption in 220/380 V AC (VA) 10 10 10
Power consumption in 110/220 V DC (W) 4 4 4


Selection and ordering data

3SM29.14


Auxiliary contact and alarm contact

Function

   Indication of contacting status

   Used for supplying electrical signal of the circuit breaker according to the operating position


Selection and ordering data

3SM29.15


Accessaries introduction

3SM29.16


3SM29.17


Tripping curve

3SM29.18


Microprocessor control panel

ST110-M (ST110-M/F) Microprocessor electronic release panel


3SM29.19



ST110-H (ST110-H/F) Microprocessor electronic release's panel

3SM29.20


Releasing curve

Microprocessor electronic release main function

Main function of microprocessor electronic release
Main circuit load indication The LED in panel indicates 60 %, 80 %, 90 %, 100 %
Power supply indication The LED in panel indicates
Self-diagnose indication The LED in panel indicates
Overload pre-warning indication The LED in panel indicates
Earth fault indication The LED in panel indicates
Thermal memory Record over-load cumulate caloric effect
Fast set protection character curve Basis on different purpose ,user can choose short-circuit release's character (curve F, R, B, M)

Signal output of the transition ray contact between breaker

and ST-200 Intelligentized control module

Overload pre-warning

releasing alarm

Earth fault alarm

Signal of breaker's ON / OFF

Releasing test Test socket

Setting panel parameter

User can reset the protection character

when the main circuit with or without power running

Switch commutating

Switch commutating

Switch commutating

Switch commutating

Switch commutating


Electronic release protection character curve

3SM29.21


Protection performance of residual current release

3SM29.22


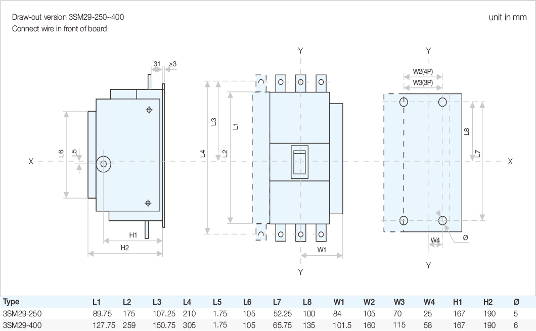
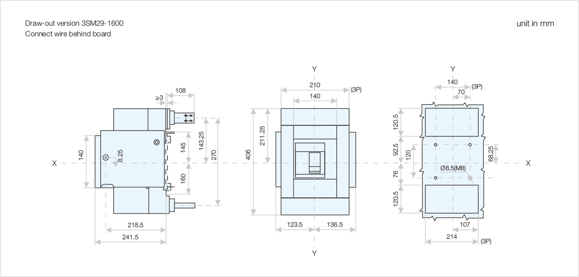
Outline and installation dimensions

Installation type: Fixed, Plug-in, Withdrawable type

3SM29.23


Breaker’s installation dimensions

3SM29.24


Outline and installation dimensions

3SM29.25



Outline and installation dimensions

3SM29.26


3SM29.27


Outline and installation dimensions

3SM29.28


3SM29.29


Outline and installation dimensions

3SM29.30


3SM29.31


Outline and installation dimensions

3SM29.32


3SM29.33


Outline and installation dimensions

3SM29.34


3SM29.35

Previous: 
Next: