FAQ
PRODUCTS

3SR8, from 0.1 to 93 A

Independent power supply with build-in power source,directly draws power from the incoming end to avoid the risk of protection function failure caused by external power supply failure.

● Overload protection
● Short circuit protection
● Isolation
● Controlling
● Used in residential building, non-residential building, industry, energy and infrastructure
Availability:

Applications and functions for thermal relay 3SR8

●   Protecting the loads from overload and phase failure

●   Implementing short-circuit protection by means of a fuse or circuit breaker

●   Used for the protection of motors


Instruction of type code

3SR8.1


Technical specifications for assembled thermal relay of type 3SR8

Type

3SR8-D13

3SR8-D23

3SR8-D33

Standard

IEC 60947-4-1
Tripping class 10 A
Rated working current Ie (A) 25 36 93
Setting range (A) 0.1-25 23-36 23-93
Rated insulation voltage Ui (V) 690
Rated impulse withstand voltage Uimp (kV) 6
Signalling Trip indicator Trip indicator
Tightening torque (N·m) 0.8
Degree of protection IP20
Ambient air temperature (ºC) -5 to +40, max. 95 % humidity
Storage temperature (ºC) -40 ~ +75
Maximum operating altitude (meters) 2000
Flame resistance V1
Mounting Directly under the contactor


Selection and ordering data

Series 3SR8

3SR8.2


Mounting block

3SR8.3



Action characterisitics for thermal relay 3SR8

Average operating time related to multiples of the current setting (Class 10 A)

Balanced 3-phase operation, from cold state

3SR8.4

1. Setting: at lower end of scale

2. Setting: at upper end of scale


Balanced operation with 2 phases only, from cold state

3SR8.5



Tripping curve for thermal relay 3SR8

3SR8.6

1. Equilibrium running, 3 phase, start from cold state

2. Equilibrium running, 2 phase, start from cold state

3. Equilibrium running, 3 phase, after long period of setting current (hot state)


Outline and installation dimensions

3SR8.7


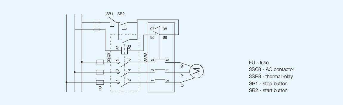
Operating principle diagram of overload relay

3SR8.8


Previous: 
Next: